
| 序号 | 物料编码 | 名称 | 数量 |
|---|---|---|---|
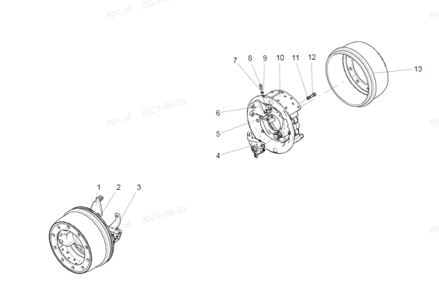
| 1 | WG4005455508 | 气室支架(右) | 1 |
| 2 | WG4005455553 | 前右制动器总成(φ400×150,电子磨损报警装置) | 1 |
| 3 | WG4005456212 | 制动间隙自动调整臂(右) | 1 |
| 4 | WG4005456211 | 制动间隙自动调整臂(左) | 1 |
| 5 | WG4005455504 | 衬垫 | 2 |
| 6 | WG4005455507 | 气室支架(左) | 1 |
| 7 | Q40312 | 弹簧垫圈 | 8 |
| 8 | Q151B1230TF2 | 六角头螺栓 | 8 |
| 9 | WG4005415507 | 45°接头式油杯M10×1 | 2 |
| 10 | WG4005455552 | 前左制动器总成(φ400×150,电子磨损报警装置) | 1 |
| 11 | Q40314 | 弹簧垫圈 | 4 |
| 12 | ZQ151B1445TF6 | 六角头螺栓M14*1.5 | 4 |
| 13 | WG4005455503 | 制动鼓 | 2 |